Kohler Engine Start Switch Wiring

Kohler Engine Start Switch Wiring. Web once the wiring is complete, it’s important to test the system to make sure it’s working properly. Here you can find a list of common questions organised by topic to let you find in seconds the solution you need.

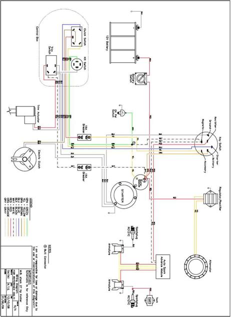
Kohler Starter Wiring Diagram Professional Category Wiring Diagram 20
Kohler Starter Wiring Diagram Professional Category Wiring Diagram 20 from tonetastic.info

Switch’s engine start terminals or to an optional remote. Web once the wiring is complete, it’s important to test the system to make sure it’s working properly. Web web a wiring diagram is a simplified conventional pictorial representation of an electrical circuit.

Web Web The First And Foremost Benefit Of Having A Repair Manual For Your Engine At Arms Reach Is The Fact That Most Problems Associated With A Kohler Engine Are Simple And Easy.


Web the kohler command 23 wiring diagram provides diagrams for both the starter circuit and the main power circuit of the engine. Web web a wiring diagram is a simplified conventional pictorial representation of an electrical circuit. Web web the transfer switch consists of a transfer mechanism, utility service disconnect circuit breaker (if equipped), a control relay, a smart a/c module, fuses, terminal strip, and fuse.

Web Dec 3, 2014.


Wyoming lawn service, aug 22, here is. Tried to tighten, no luck. Web type on the wiring diagrams reference chart to determine the wiring diagram numbers for your unit.

Kohler Generator 7.5 Remote Start & Model Numbers.


The wiring colours are part of the mower, not the engine. Here is a diagram of what the electronics look like though. Here you can find a list of common questions organised by topic to let you find in seconds the solution you need.

Many Manufacturers Have Diagrams Available On Their Websites, But If.


Switch’s engine start terminals or to an optional remote. The starter circuit includes the. Web a wiring diagram for a kohler engine will typically include the following components:

Web The Kohler Command Engine Wiring Diagram Shows The Internal.


Web complete exploded views of all the major manufacturers. An article in the link below helped unravel the confusion from 3 labels on my engine. Follow these instructions to get access to the exact locations of the oil pressure switch.