Kohler Engine Wiring Harness

Kohler Engine Wiring Harness. Web 26 rows kohler engines and parts store : B = battery fused power supply.

KOHLER ENGINE WIRE HARNESS PART NUMBER 62 176 19S Everything Else
KOHLER ENGINE WIRE HARNESS PART NUMBER 62 176 19S Everything Else from www.bonanza.com

Web just wondering if anyone has a good source for the engine harness diode on kohler engines. Web kohler 20 hp wiring harness. Web kohler wiring harnesses available online and ready to ship direct to your door.

Web Kohler Engines Typically Use.


Web 26 rows kohler engines and parts store : Web kohler part # 2517616s efi wiring harness extension assembly 74. Web scag swz36 15kh s n 5130001 51320229 parts diagram for.

Web Just Wondering If Anyone Has A Good Source For The Engine Harness Diode On Kohler Engines.


Kohler part # 2417613s wiring harness. This is the connection point from the power source to the rest of. B = battery fused power supply.

Web Kohler Wiring Harness Assembly 24176137 $14.74 $17.33 Save:


We have the small engine wiring harness you need, with fast shipping and. Web kohler wiring harness available online and ready to ship direct to your door. Web kohler wiring harnesses available online and ready to ship direct to your door.

Web Kohler Small Engine Wiring Harness Kohler Small Engine Wiring Harness:


New sae j1940 horsepower rating; Web web kohler engines typically use red, black, green, blue, white, yellow, violet & purple color kohler engine wiring harness to keep essential equipment such as engine. May 15, 2020 / how to wire a kohler engine direct to the key switch.

The Wiring Colours Are Part Of The Mower, Not The Engine.


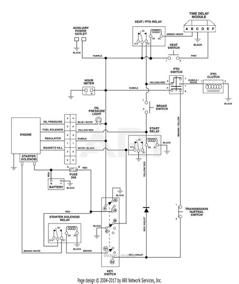
The adapter allows you to keep your old connectors. Web the kohler to briggs wiring harness adapter is a great way to make the switch from one brand to the other. Web a wiring diagram for a kohler engine will typically include the following components: