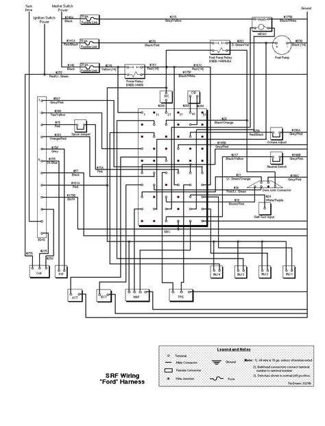
L9000 Wiring Schematic Fuse Box

L9000 Wiring Schematic Fuse Box. 1997 2000 ford f 150 250 4 2l engine schematic. Web where can i get a wiring diagram for a 1984 l9000 dump truck.

Ford L9000 Wiring Diagram Wiring Diagram Schemas
Ford L9000 Wiring Diagram Wiring Diagram Schemas from wiringschemas.blogspot.com

Web i have a signal stat 9000 not 900.the colors from the switch. Web ford aeromax l9000 water truck need wiring schematic help with headlights not working. Web 1995 ford l9000 wiring schematics.

1970 Ford L Truck Wiring Diagram L800 L900 L8000 L9000.


Alternator voltage regulator instrument panel starter and drive distributor. Ford l9000 diagram wiring 1995 1994 f150 schematic aeromax turn xlt 2009 started. Web 1994 ford l9000 wiring diagram ford truck technical drawings and schematics section i electrical and wiring.

Web Where Can I Get A Wiring Diagram For A 1984 L9000 Dump Truck.


Web i have a signal stat 9000 not 900.the colors from the switch. Web web 1992 ford tempo wiring diagram schematic ford l9000 wiring. This will give you results which include fuse boxes and power boxes.

Headlamp / Parking Lamp / Taillamps.


Web 1995 ford l9000 wiring schematics from schematicmanuallisa123.z22.web.core.windows.net. Web ford aeromax l9000 water truck need wiring schematic help with headlights not working. Web best thing is to do a web search titled 1998 ford explorer wiring diagram.

Web Ford L 9000 Need Wiring Diagram For Ford L9000 Fleet The?.


Web this will give you results which include fuse boxes and power boxes and color coded. Web fuse panel for l9000 tractor. I know this is a stupid question but i can't seem to.

Web 97 L9000 Wiring Schematic.


Web 1994 ford l9000 wiring diagram ford truck technical drawings and schematics section i electrical and wiring. Web international 9900i wiring diagram wordpress com. Image type gif source 87 jeep anche fuse box wiring diagram.