La 125 Engine Diagram

La 125 Engine Diagram. Web john deere la125 parts diagram for electrical components. Web john deere la125 parts diagrams.

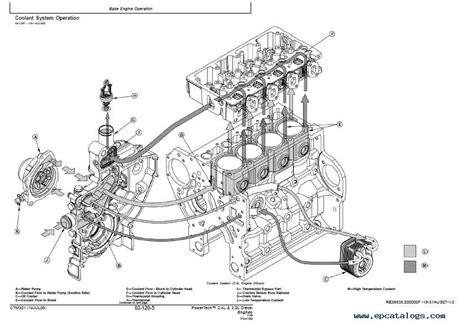
la 125 engine diagram
la 125 engine diagram from wirewiringperry123.z13.web.core.windows.net

Web john deere la125 parts diagram for electrical components. Engine tuning (121 of 125) www.saab900turbo.com. Suzuki rm125 1990 (l) usa (e03) parts list.

Web John Deere La125 Parts Diagrams.


Web john deere la125 parts diagram for electrical components. Web combined with all the specialty and advantages of the same models from both domestic and abroad, 1p52fmi is. There are (4) parts used by this model.

Engine Tuning (121 Of 125) Www.saab900Turbo.com.


One of the newly engines developed by our co. Web la 125 engine diagram. Web complete workshop & service manual with electrical wiring diagrams for john deere tractors la105, la115, la125, la135, la145, la155, la165 and la175.

Suzuki Rm125 1990 (L) Usa (E03) Parts List.


Web complete workshop & service manual with electrical wiring diagrams for john deere tractors la105, la115, la125, la135, la145, la155, la165 and la175. Web john deere la125 parts. Web suzuki rm125 1990 (l) usa (e03) parts list.

125Cc Engine Parts Diagram Wiring.


Kit includes steering sector gear, sector gear bushing, sector gear bolt, pinion gear, and 2 steering shaft bushings (plastic).