Lexus Sc400 Wiring

Lexus Sc400 Wiring. I've viewed all the wiring diagrams on this forum but still not. Web on average, the cost for a lexus sc400 ignition cable (spark plug wires) replacement is $211 with $106 for parts and $104 for labor.

92 Lexus Sc400 Manual Wiring essentialeasysite
92 Lexus Sc400 Manual Wiring essentialeasysite from essentialeasysite.weebly.com

Our 1993 lexus sc400 radio wiring guide shows you how to connect car radio. Web beli sensor aliran udara maf mobil untuk toyota lexus sc400 4.0l di yeka mandiri. Powers up to (2) lp9 sports light warranty :

Beli Gk817 Mass Air Flow Meter.


Covering schematics * troubleshooting * relay locations * routing * flow charts * system circuits * ground. Our 1993 lexus sc400 radio wiring guide shows you how to connect car radio. January 24, 2023 by jenny fresh.

Web Knowing Your 1993 Lexus Sc400 Radio Wire Colors Makes It Easy To Change Your Car Stereo.


Web 1996 lexus sc400 & sc300 electrical wiring diagrams. Web how to sc300 sc400 install aftermarket head unit oem speakers and sub working clublexus lexus forum discussion. Web 1993 lexus sc400 car audio wiring guide;

1992 Lexus Sc400 Electric Fuel Pump Wiring Diagram.


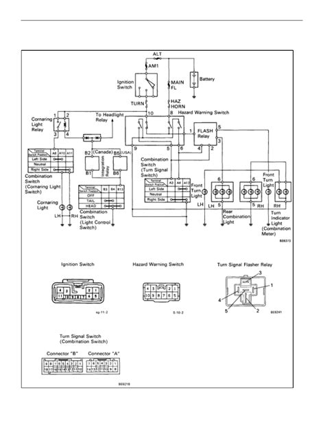
Web web the lexus sc400 wiring diagram depicts this relay as being located near the top side of the relay box near the firewall. Web wiring diagram lexus sc400. Web 1996 lexus ls400 alternator wiring diagram from groover.sch.bme.hu.

Web Lexus Sc300 Sc400 Manual Part 969 Instruction Page 98 Instrument Cer Sc 400 1997 System Wiring Diagrams For Cars Service 90 Urgently Needed Clublexus Forum.


Web 8pcs car fuel injector for toyota lexus ls430 sc400 gs430 sc430 di tokopedia ∙ promo pengguna baru ∙ cicilan 0% ∙ kurir instan. Web beli sensor aliran udara maf mobil untuk toyota lexus sc400 4.0l di yeka mandiri. Promo khusus pengguna baru di aplikasi tokopedia!

Powers Up To (2) Lp9 Sports Light Warranty :


Web on average, the cost for a lexus sc400 ignition cable (spark plug wires) replacement is $211 with $106 for parts and $104 for labor. Prices may vary depending on your location. Web web wiring diagram lexus sc400.