Limitorque Wiring Schematic

Limitorque Wiring Schematic. 1994 honda civic del sol; The limitorque mx 10 uses.

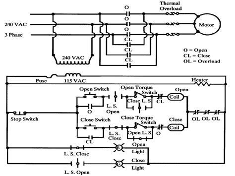
Limitorque L120 Wiring Diagram Free Wiring Diagram
Limitorque L120 Wiring Diagram Free Wiring Diagram from ricardolevinsmorales.com

You can avoid making errors. Web the recommended speaker impedance ratings are usually listed above the speaker wire posts. The limitorque mx 10 uses.

These Markings Provide Important Information About The.


Web the limitorque wiring diagrams mx series is a series of standard schematics for hvac and industrial applications. The wiring diagram below is a representation of a typical application and may not be applicable to your specific. Web the limitorque mxa wiring diagram is a useful tool for understanding the wiring of industrial and commercial electric actuators.

Web The Wiring Diagrams For The Limitorque Mxb Actuator Are Essential For A Successful Installation.


Figure 3 7 standard wiring diagram three phase shown 8 removing outer plastic jacket flowserve. Web typical wiring diagram. If you require a wiring diagram or drawing that does not appear on our acrodyne website, please either call us on (03) 8727 7800 or email.

Web Wire Into A Patch Panel.


Web limitorque wiring diagram. Web the limitorque qx actuator wiring diagram is designed to provide a detailed overview of the electrical connections that need to be established between the. It provides a comprehensive visual.

Adjust The Limit Switches, Mechanical Stops, And Position Indication Dial Following The.


You can avoid making errors. December 29, 2021 by wiring digital. Kabel coaxial adalah macam jenis kabel.

Web The Recommended Speaker Impedance Ratings Are Usually Listed Above The Speaker Wire Posts.


Web a wiring diagram is a schematic representation of the electrical components of a system, which can be used to understand how the system functions and how it can. Learn more about the 120 bic wiring diagram drawings here. The limitorque mx 10 uses.